文/董銘,胡斌,張波 ·浙江威力鍛壓機械有限公司
鍛造行業作為基礎制造行業,為汽車、工程機械、航空、航天、船舶等領域提供鍛件產品,具有生產量大、覆蓋面廣等特點。特別是汽車行業,中國現已是世界最大市場、最大生產國之一,汽車制造業的快速發展為鍛造產品提供了廣闊的需求空間,熱模鍛件在鍛造行業一直作為主流產品,廣泛地應用于汽車零部件。隨著競爭的日益激烈,汽車工業正由高速發展轉入均衡發展階段,對汽車零部件質量的要求也越來越高。
在國外,熱模鍛模擬技術、虛擬設計及軟件開發等方面有許多創新和亮點,基本上實現了零試?;虼蟠鬁p少了試模次數,以此為基礎發展而來的智能化熱模鍛技術成熟度也較高,實際生產中可使機械性能提 高15%~30%。這項技術在歐洲、美洲和日本等汽車企業中得到了非常廣泛的應用,已經通過智能化鍛造生產線完成了齒輪生產從切削向近凈成形(冷、熱模鍛)的過渡。德國 BLM 公司智能化熱精鍛齒輪精度已達DIN6 級,節約材料20%~30% ; 美國每年通過智能化熱模鍛生產線生產的擠壓件數量超過了 100萬件,其中80%都是汽車零件。
國內許多鍛造企業為了滿足汽車廠商的產品需求,不得不花巨資購買國外發達國家的生產線或先進鍛造生產設備,例如多工位自動熱模鍛生產線、閉塞鍛造用多動液壓冷鍛壓力機、多工位自動冷鍛壓力機。 隨主機引進的還包括與壓力機配套的其他設備,如數控伺服步進梁式自動送料機、帶石墨涂層裝置的熱模鍛感應加熱爐、控制冷卻裝置、精密斷料機等。
為了改變這一現狀,我國熱模鍛產業需要通過從裝備到生產過程的全面自主研發和技術創新,實現國產替代,推動我國熱模鍛產業的健康發展。國內已有多家鍛壓機床公司對鍛造智能化進行了探索及制造。智能化設備方面,如浙江鍛壓機床有限公司的 JS21系列數控伺服開式壓力機不僅可以提高效率, 而且其運動規律可以很好地適應零件,實現了智能制 造的智能化加工編程,揚力集團的GM-315K 數控門式萬能液壓機,采用伺服控制技術,重復定位精度為±0.05mm。 智能化鍛造系統尚處于起步階段,國內主要有連云港杰瑞自動化有限公司智能生產線/工作站,可提供自動化整體解決方案,包括工藝路線定制、加工設備和自動化配套等,北京機電研究所有限公司可實現精密成形企業智能工廠、數字化車間整體規劃等。
總體上看,國外智能化設備及系統比國內先進, 國內雖然在智能化設備上取得了一定的進步,但在智能化系統上還尚未建立完整的、大型的數據庫,軟件開發也處于起步階段,與國外差距較大。順應上述需求,需要面向特定鍛造領域針對其中的智能化生產系統與服務平臺中的關鍵問題開展相關研究。本項目目 標是搭建面向汽車熱模鍛行業的智能化鍛造系統與開放創新服務平臺,并進行應用示范,智能化鍛造系統總體架構如圖1所示。
圖1 智能化鍛造系統總體架構
汽車熱模鍛行業智能化鍛造系統
傳統的熱模鍛生產方式存在一些明顯的缺點:首先,過度依賴于人工操作和經驗判斷,導致生產效率和產品質量不穩定;其次,由于缺乏先進的監測和控制系統,難以實現對生產過程的精確控制,零件的精度和一致性難以保證;此外,設備之間的協同作業能力有限,無法實現高效地生產;最后,傳統生產方式對環境的影響較大,如能源消耗高、廢棄物排放多等,不利于可持續發展。
智能化汽車零件精密鍛造生產線的生產工藝及控制流程是一個集成了現代測控技術、自動化技術和智能化技術的復雜系統。首先,從原材料的準備開始,通過預處理確保金屬材料的初始狀態滿足鍛造要求。隨后,金屬材料經過精確控制加熱溫度和保溫時間,實現均勻加熱和充分奧氏體化,為后續的鍛造過程奠定良好的基礎。在鍛造環節,根據零件的形狀和尺寸要求,選擇合適的鍛造工藝和模具,確保金屬材料的流動和變形符合設計要求。同時,通過精確控制鍛造溫度和速度,實現金屬材料的均勻變形和充分致密化,獲得高質量的鍛件。鍛造完成后,進入熱處理、精整和檢測階段。在這一階段,精確控制熱處理工藝參數,確保零件的組織和性能達到最佳狀態。同時,采用先進的檢測設備和在線監測系統,對零件的尺寸、形狀和性能進行全面測,確保零件的質量符合標準要求。
在整個生產工藝過程中,智能化系統通過PLC控制系統實現各設備的協同作業和精準控制。此外,通過工業大數據分析,對生產過程中的各項參數進行實時監測和分析,及時發現并處理潛在問題,確保生產過程的穩定性和可控性?;诠に囂卣髋c生產產品目標需求,智能化汽車零件精密鍛造生產線控制流程圖見圖2。
圖2 智能化精密鍛造生產線控制流程
壓力機的剛度分析及優化設計
研究背景
高精度壓力機的研發是一項系統工程,其中機床結構自身的剛度則對壓力機精度起到了基礎性的作用,剛度較大的壓力機在生產線工作時受載變形量較小,機身精度較高,可以提升生產加工效率和質量,能提高智能鍛造生產線數據反饋的穩定性和精確性。鍛壓機床的典型負載為靜力及隨加工零件、工藝不同而改變的動力沖擊負載,如何維持機床結構在復雜工況下的高剛度性能是高精度機床結構設計中的重要問題。然而。現有的壓力機機床設計理論方法很少考慮復雜工況對結構設計的綜合影響,往往只以靜態剛度為目標進行結構的數值分析與設計,這種粗放的設計流程直接導致設計方案在實際使用中可能存在剛度不足或材料浪費。因此需要針對壓力機機身支撐結構材料分布問題展開具體的研究,以鍛造壓力機為研究對象,分析研究提高壓力機機身結構剛度和工作狀態下精度的方法與思路,探索機身結構在不同工況下的優化設計方法。
壓力機機身結構性能分析
壓力機主要由機身、工作臺、傳動結構、離合器、制動器等構件組成。鍛造過程中壓力機的負載屬于短時沖擊載荷,空程時電動機帶動飛輪加速旋轉儲存能量,工作時飛輪減速釋放能量形成鍛造所需的鍛造力。機身作為鍛造壓力機的主要承載構件也是最大的構件,其質量約占整機的60%以上,需要承載壓力機在工作狀態下產生的全部變形力,同時需保證滑塊的運行精度,對于整機的性能至關重要。合理配置壓力機機身的質量與結構,提高機身剛度和工作精度,減小機身變形位移,增加壓力機的使用壽命成為壓力機結構優化設計的關鍵。
壓力機機身為閉式整體機身,裝配方便,具有良好的吸振性,比較適合大批量生產,該機身主要由4大結構組成左右兩側壁支撐結構、上橫梁、下底座及工作臺。分析機身的應力和變形時,采用公稱壓力為2500kN作為機身外載荷。壓力機在工作狀態下,機身主要承受兩個載荷,其大小相等、方向相反,一個是作用在曲軸支撐孔上、方向豎直向上的點載荷,另一個是作用在工作臺、方向向下的均布載荷。
將最大公稱壓力2500kN作為機身工作狀態下的負載,利用曲軸支撐孔受力接觸面與孔的空間節點耦合,通過向空間節點施加載荷的方式模擬機身曲軸孔受力。壓力機在工作時產生的力大部分由機身承載,因此機身會產生一定的變形,機身曲軸支撐孔與工作臺之間的相對位移會導致模具受損甚至影響產品精度,將其作為機身優劣的判斷標準。根據建立的模型及參數設置,利用Abaqus軟件的StaticStructural模塊對壓力機機身進行整體靜力學分析。壓力機在工作狀態下,機身受到的應力左右對稱,曲軸支撐孔、機身內側板以及前板存在應力集中現象,機身受到的最大等效應力為85.32MPa。機身是主要承載結構,因負載將導致彈性形變,機身方孔及上部區域都有發生變形,曲軸支撐孔處和機身前支撐板上端是機身整體變形位移最大處,最大整體位移達0.5702mm,對機身的剛度影響較大。
考慮能否引起機身共振,對外部激振源進行分析。本文壓力機所使用的電機為四極三相異步電機,其額定轉速為1000r/min,因此電機的工作頻率小于16.67Hz。壓力機滑塊的行程次數是每分鐘32次,所以壓力機的實際工作頻率為0.53Hz。由仿真分析可知,壓力機機身的一階固有頻率約為22.21Hz,機身低階固有頻率遠大于外部激振源頻率,不會發生共振現象。因為外部激振源頻率與機身低階固有頻率差距較大,因此在機身結構優化時,可適當忽略模態共振對于機身性能的影響。
基于拓撲優化的機身靜力結構剛度優化設計
采用變密度拓撲優化方法,規劃應力波在結構內的傳播路徑,結合最優準則和數學歸納法,在概念構型設計階段找到所需的最佳質量分布。對材料進行重新分配,進而得到符合設計需要的模型結構。變密度拓撲優化通過材料密度可變的原則,刪去對結構剛度影響較小的單元材料實現結構優化求解,在優化過程中將密度為1的材料保存,密度為0的材料刪去,最終形成優化結構。
為了提高壓力機機身的結構剛度,改善模型動態特性,將機身兩側壁空間補充至實體,作為拓撲優化設計域,以最小柔度設為優化目標函數,同時設置體積分數為約束條件,以保證優化后模型的結構體積與優化前模型結構體積保持一致,建立拓撲優化的數學表達式。設置迭代次數為100次,對機身設計域進行結構優化。拓撲優化結構的材料分布與機身結構內部應力波傳播路徑大致相同,兩側壁內側板區域材料分布較密集,該區域受力較大:兩處曲軸支撐孔主要保留孔下側材料,孔上方連接處也有少量分布:方孔豎直兩側的材料分布較多,上下兩處有橫梁結構存在。
利用響應面和粒子群算法結果得到的最優解對應的變量值在SolidWorks中進行參數化建模。將三維模型導入Abaqus軟件進行靜態結構分析,獲得優化后機身結構的等效應力云圖和整體位移圖(圖3),優化后的機身結構最大等效應力降為82.09MPa,機身整體最大位移量減小到0.2672mm,與原壓力機機身結構相比皆有改善。
圖3 優化后機身結構有限元分析
根據有限元分析結果,在后處理的歷程輸出中提取在工作狀態下優化后壓力機機身曲軸支撐孔與工作臺表面之間的最大相對位移量。對比粒子群優化得到機身最大相對位移量與Abaqus有限元分析數據可知,兩者數值相差1.1%,證明響應面設計結合粒子群優化結果是可靠的。對結構優化后的機身模型進行模態分析,機身低階固有頻率數值較激振源頻率大,不會引起共振現象,設計合理。
基于HCA方法的機身動力結構剛度優化設計
壓力機機身體積較大,在真實工況下受到的負載情況十分復雜,對三維實體機身模型進行非線性拓撲優化會因為過于龐大的節點陣給計算引入較大的累計誤差,導致計算結果與真實值偏差巨大,計算精度低:同時傳統的HCA算法對于復雜的三維實體網格模型的計算求解和處理非線性問題較為困難,因此在基于HCA沖擊動力學對壓力機機身進行結構優化的流程中,我們把復雜3D結構改造為2D力學模型(即殼單元模型),利用HCA算法對機身模型進行快速概念啟發,之后在尺寸優化時再還原到3D結構。
設置機身殼模型分析參數,對殼模型進行顯示動力學分析。殼模型應力主要分布在曲軸支撐孔和方孔兩側,機身最大應力為54.78MPa.殼模型方孔上端都有發生變形,曲軸支撐孔上端和機身前側上端區域是機身變形位移較大處,整體最大位移為0.4787mm,大致趨勢與實體模型分析結果類似。
為獲得機身殼模型的最優拓撲概念構型,我們利用共用節點確定元胞的相鄰元胞,同時借助HCA算法通過設定元胞的密度、厚度等變化來實現模型優化設計區域結構的拓撲優化、尺寸優化等。元胞局部應變能較大,需要減小單元厚度,元胞局部應變能較小,需要增加厚度。
拓撲優化概念構型
將殼模型兩側壁單元最大厚度設為195mm,即每個單元體積為(30×30×195)mm的3次方,為使計算更好地收斂,我們將單元最小厚度設為8mm,設定設計域結構單元平均厚度為67.86mm,使優化后的機身設計域結構體積與原模型設計域結構體積保持一致。HCA算法對機身殼模型進行拓撲優化時元胞與有限元模型單元是—一對應的,提取元胞應變能密度,計算單元的厚度增量,當單元厚度取值接近最小值時代表此處為無材料區域,當單元厚度大于最小值時代表此處為有厚度區域,當所有單元的應變能密度平均值越接近目標應變能密度,證明此時機身剛度達到最佳。
由機身殼模型的最優拓撲概念構型發現。單元厚度接近設置的最小厚度8mm的區域呈現藍色,厚度接近195mm的實體單元呈現紅色。中間厚度部分呈現其他顏色,實體的網格單元所形成的結構區域層次清晰可見,可以為后續機身支撐結構規整優化提供參考。因此可以得出結論:機身在瞬態沖擊力作用下,結構的材料分布較為密集處基本位于方孔兩側和曲軸支撐孔兩側,少量分布在方孔上側及機身兩側壁兩端.通過HCA算法和Abaqus耦合計算得到的機身殼模型拓撲概念構型,代表著設計結構的傳力路徑。
借助機身殼模型的拓撲優化概念構型,以及機身結構的應力分布,我們將機身還原為三維實體模型進行如圖4所示的結構改造,在機身方孔和曲軸支撐孔兩側材料分布最為密集之處依照最優拓撲構型設置寬度為P2和P3的支撐筋:在機身設計區域兩側和方孔上端設置寬度為P1的支撐筋,設計域前后側面設置板厚為P4。對比優化后在Abaqus軟件中獲得的壓力機機身最大相對位移量與粒子群優化得到的目標函數值可知,兩者相差0.58%.幾乎沒有多少差距,證明響應面結合粒子群優化獲得的設計變量參數數值是可靠的。
圖4 機身參數化模型
對結構優化后的機身模型進行模態分析,結合壓力機外部激振源頻率和優化后機身結構低階固有頻率可知,機身低階固有頻率數值較激振源頻率大,不會引起共振現象,設計合理。
樹脂實體模型試驗驗證
利用SLA光固化打印技術將兩個壓力機機身模型同比例縮小1/10,使用8828高強度樹脂材料,并設置相同的打印參數打印出優化前后的壓力機機身結構樹脂模型,對兩個實體模型進行受力分析。通過萬能電子試驗機對結構優化前后的兩個壓力機機身模型進行與仿真載荷方向設置相同的拉伸試驗,具體夾持方式與拉伸方向見圖5。

圖5 機身實體模型受力分析
將電子萬能試驗機的拉伸速度設置為0.5mm/min,分別對兩個機身模型施加從小到大的力,通過傳感器實時記錄機身模型受力大小和變形量情況。在拉力為0.5KN前的階段,機身處于未拉緊狀態,當拉力超過0.5KN,隨著拉力的逐漸增加,機身逐漸發生變形位移。當兩個模型受到相同的拉力時,優化后機身模型的變形位移量要略小于優化前的機身模型,證明機身結構優化方案是正確的,機身剛度的確得到了提高。當力增加到3kN時,優化后模型整體變形量為1.145mm,優化前模型整體變形量為1.299mm。
將數值分析結果與實體試驗結果對比研究,驗證數值仿真結果的有效性。最后,通過對比不同材料的機身結構優化結果,驗證了真實材料下機身結構優化方案的正確性與有效性,為類似鍛壓設備的高剛度結構設計提供了參考。
典型件精密鍛造成形工藝與設備參數
關系研究
鍛造成形工藝設計和研究是鍛造生產線的基礎工作,也是智能化鍛造系統建立的重要組成部分。項目以汽車萬向節鐘形罩、渦旋壓縮機靜/動盤等典型零件為產品對象,對目前精密鍛造成形工藝存在的問題展開研究,進行智能化鍛造生產線的開發和建設。
汽車渦旋壓縮機靜盤精密鍛造成形工藝
靜渦旋盤技術要求材料為6061鋁合金,批量為10萬件/年,未知尺寸公差為±0.2mm,未注公差按GB/T1184-K,鍛件正火處理,硬度≥120HBW,鍛件各處不允許有氣孔、缺料、飛邊、拉傷、裂紋等缺陷,通過計算,靜盤的體積為12235.475mm的3次方,質量為0.1461kg。
(1)工藝流程。
汽車渦旋壓縮機靜盤工藝路線:制坯→加熱→熱模鍛→冷精整→鍛件檢驗。通過計算確定鍛件的尺寸,每個工步坯料的尺寸,再計算分析鍛件成形過程發生的變形程度和所需要的擠壓應力,通過這些數值選擇壓力機噸位,優化成形工藝。
變形程度和擠壓比通過公式εp=[(A0-A1)/A0]×100%(斷面收縮率),G=1/(1-εA)(擠壓比)計算,工藝中正擠壓工藝、鐓粗工藝和反擠壓三道工藝進行變形程度。通過計算此工藝符合要求。
毛坯尺寸。鐘形罩的類型可以根據沿軸線截面變化較大的長軸類鍛件的計算原則來確定坯料的直徑,通過公式d=(4V/π1)1/2計算確定毛坯直徑d=103mm,長度I=55mm,質量m=3.1kg。
單位擠壓力P=α(HV)"(InεF)"=532MPa<2500MPa,滿足要求。
壓力機噸位F=cPA。擠壓成形設備噸位為88×10kN.反擠壓成形設備噸位為2.7×10的3次方kN,因此,擠壓成形可選1000噸的壓力機,溫反擠可選400噸的壓力機。
模膛尺寸計算。凹模型腔尺寸D=D公稱+D公稱α坯t坯-D公稱α模t模-△D彈=110mm,凸模直徑d=d公稱+d公稱α坯t坯-d公稱α模t模+△d彈=103mm。
(2)成形過程模擬。
用Deform-3D軟件進行模擬,模擬相關參數設置:材料為6061鋁合金:凸模工作速度為10mm/s:背壓力為50kN;坯料溫度為430℃:模具溫度為320℃,摩擦因子為0.3,坯料網格數為60000,步長為0.1mm。
溫擠壓時,坯料在凸模的壓力下,毛坯向下移動,受到擠壓力,上模持續推進,坯料在凹模的限制下,受到垂直圓心軸向的擠壓力,毛坯對下模腔進行填充。受壓狀態下的圓柱下端向下方和兩側流動填充靜盤模腔,速率開始降低。
無背壓時,起初毛坯只與凸模部分接觸,產生應力集中現象,主應力較大,隨凸模向下擠壓,兩模具之間的金屬越來越少;有背壓時,起初預成形件先與凹模接觸部分產生較大作用力,隨著凸模的不斷推進,毛坯與上模接觸點應力最大,預成形件與靜盤接觸位置應力較大,凸模繼續推進,模腔開始充滿。有背壓時應力分布更加均勻且更小。
無背壓時凸模能承受的最大載荷為5.32×10的3次方kN,有背壓時凸模能承受最大載荷約為3.29×10的3次方kN,有背壓時所受到的成形載荷更小,同時有背壓比無背壓時靜盤成形質量更好,因此,靜盤成形時宜采用帶背壓的工藝方案。
鍛件最大應力集中分布在渦旋盤底盤直徑外緣部分,其次是渦旋根部,因向渦旋部分流動。采用背壓成形工藝,毛坯在模腔里受到上、下、側面擠壓力,毛坯塑性變形能力顯著提升,產品質量得到優化。無背壓情況下,毛坯不能正確成形鍛件,金屬流動極不均勻,且端面很不平整。有背壓情況下,鍛件端面平整,成形狀況較好。
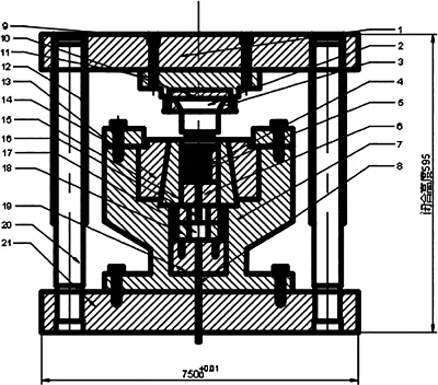
(3) 模具設計及優化。模具結構如圖6所示,背壓設計如圖7所示,凸模設計如圖8所示,凹模設計如圖9所示。
(4)靜盤產品。
將上述汽車渦旋壓縮機靜盤熱模鍛成形的研究成果應用于實際生產中,圖10為靜盤產品實物,產品滿足技術要求。
圖6 模具結構圖
圖7 背壓成形的剖視圖
圖8 凸模結構圖
圖9 凹模結構圖

圖10 汽車渦旋壓縮機靜盤
汽車渦旋壓縮機動盤精密鍛造成形工藝
與汽車渦旋壓縮機靜盤類似的方法對動盤精密鍛造成形工藝技術進行研究。采用溫精鍛鍛造汽車渦旋壓縮機動盤,與靜盤成形工藝類似,動盤加工工藝路線為制坯→加熱→熱模鍛→冷精整→鍛件檢驗。
通過工藝計算,可得毛坯直徑為90mm,長度為40mm:變形力為2461.99KN,壓力機噸位為911.89KN,可選噸位為1000噸鍛壓機。
根據上述信息進行成形過程模擬。首先,用Deform-3D軟件進行模擬。模擬相關參數設置:坯料溫度為250℃,環境溫度為20℃,與空氣對流散熱系數為0.02N/(s·mm·℃),與模具對流系數為0.02N/(s·mm·℃),模擬總步數為100步,相應的每步0.2s,工件材料為6061鋁合金,采用四面體網絡劃分33721個網格,摩擦系數為0.25,擠壓速度為10mm·s的-1次方。
利用仿真軟件模擬成形過程:隨著金屬不斷發生塑性變形,工件的應力值由下而上逐步增大,工件渦旋上面部分承受最大應力(643MPa)。無背壓情況下毛坯不能正確成形鍛件,金屬流動極不均勻,且端面很不平整。有背壓情況下,鍛件端面平整,成形狀況較好。渦旋體的上部經歷了極大的變形,最終均勻成形,下部變形一直比較平穩均勻。工件在擠壓過程中產生不均勻流動,渦旋體部分的速度場明顯大于環狀凸起部分,且渦旋體部分在最終位置的最大高度差相差很大。
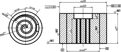
根據仿真結果開展模具設計,具體分為凸模設計、凹模設計(圖11)及模具裝配(圖12)。凹模內壁承受的單位應力很高,因此采用兩層組合凹模的方法。組合凹模材料選用45號鋼,可以顯著提高凹模承載能力,防止模具縱向開裂。
將上述汽車渦旋壓縮機動盤熱模鍛成形的研究成果應用于實際生產中,圖13為動盤產品實物,經檢驗產品滿足技術要求。
圖11 組合凹模圖
圖12 模具裝配圖
圖13 汽車渦旋壓縮機動盤
汽車萬向節鐘形罩精密鍛造成形工藝
汽車萬向節鐘形罩技術要求鍛造材料為40Cr;鍛造后的零件硬度為180~235HBW,金屬流線應符合鍛件外形,不允許有切斷現象,鍛件各處不允許有夾層、折疊、裂紋、過熱等缺陷,鍛件晶粒度≥6級,要求每年產量10萬件。
(1)工藝流程。
采用溫精鍛鍛造鐘形罩,具體工藝流程制坯→正擠壓→鐓粗→反擠壓→熱處理(正火)→冷精整→鍛件檢驗。
(2)工藝計算。
通過計算確定毛坯長度為140mm,直徑為59mm,質量為3.1kg,正擠壓桿部單位擠壓力為1692.8MPa小于2500MPa,反擠壓階段凹模單位擠壓力為1440MPa,小于2500MPa,均滿足要求。擠壓成形設備噸位=8.8×10的3次方kN,反擠壓成形設備F=2.7×10的3次方kN,因此,擠壓成形可選1000噸的壓力機,反擠可選400噸壓力機。
(3)成形過程模擬。
利用Deform-3D軟件對萬向節鐘形罩鍛造成形過程進行數值模擬分析。正擠壓階段,金屬坯料在凸模的軸向壓力下,一直向下流動直至填滿模具。反擠壓階段,成形初期坯料在上模的軸向壓力下向下流動。毛坯邊緣的金屬向兩側擴散,由于凹模的作用,毛坯中間金屬向下流動,隨著凸模壓下量增加,毛坯兩邊的金屬繼續向下流動,且流速較快:隨著凸模下壓.杯部金屬向上流動,且向上的流速比底部向下流速快,大致成形后,鍛件邊緣的金屬向外流動,內部金屬有向下流動的趨勢。
成形過程中一步擠壓需要巨大的擠壓應力,模具和壓力機無法承受,還會產生較多的飛邊,浪費材料與實際生產零件的要求不符,所以對工藝進行優化,增加一步初擠壓,降低擠壓應力,節約材料。優化后模擬結果顯示鐘形罩內部金屬流線規則,模具應力滿足要求,因此符合工藝、符合設計要求。
(4)模具設計。
鐘形罩擠壓成形需要四套模具,各擠壓步驟模具結構除凸凹模外基本相同。反擠壓是保證零件的尺寸精度和表面粗糙度的關鍵,擠壓時模具要承受一定的高壓,所以對反擠壓模具要求較高,設計圖如圖14所示。
圖14 反擠壓模具設計
成形工藝研究小結
項目以汽車萬向節鐘形罩、渦旋壓縮機靜/動盤等典型零件為產品對象,對目前精密鍛造成形工藝存在的技術問題展開研究,主要內容如下。
⑴對汽車萬向節鐘形罩進行熱模鍛模擬分析,結果顯示鐘形罩底部桿狀結構擠壓時會出現模具模膛填充不完整、表面有缺陷的問題,可通過調整毛坯的尺寸、增加毛坯修邊余量進行優化;應力分布模擬結果顯示,一步擠壓時桿狀結構應力過大,可能損壞模具和壓力機,通過在對坯料進行正擠壓前增加一步初擠壓工藝,可降低單位擠壓力,再通過最大載荷校核單位擠壓力和壓力機噸位;根據優化后的成形工藝,完成結構合理、尺寸明確具有預應力組合凹模結構的精鍛模具設計。
⑵對汽車渦旋壓縮機靜盤進行熱模鍛模擬分析,通過多次模擬選擇最為合適的模具尺寸,提高模具使用壽命;另外,模擬結果發現有背壓比無背壓情況下的靜盤成形質量更好,因此設計靜盤成形工藝時采用帶背壓的方案;根據優化后的成形工藝,完成結構合理、尺寸明確具有預應力組合凹模結構的模具設計;通過最大載荷校核單位擠壓力和壓力機噸位。
⑶對汽車渦旋壓縮機動盤進行熱模鍛模擬分析,結果顯示動盤渦旋體的上部分承受著最大應力和應變;根據優化后的成形工藝,完成結構合理、尺寸明確具有預應力組合凹模結構的模具設計;通過最大載荷校核單位擠壓力和壓力機噸位。
聯系人:
手機:13858567059
電話:13858567059
Email:382784062@qq.com
地址:浙江省紹興市嵊州市仙巖鎮仙巖村